Hệ thống bơm dầu
Hệ thống bơm dầu

Adapter EA4 · EA6 · EAR

Bản vẽ kích thước Model Code No Đường kính ống(φ) L1 L2 T1 T2 B EA4-20 106021 4 20 8 M8×1 R1/8 14 EA4-25 106022 25 13 EA4-30 106023 30 18 EA4-40 106024 40 28 EA4-50 106025 50 38 EA4-60 106026 60 48 EA4-2R 206091 25 11 R1/4 EA6-22F 206100 6 22 8 M10×1 R1/8 […]

Thông tin chi tiết

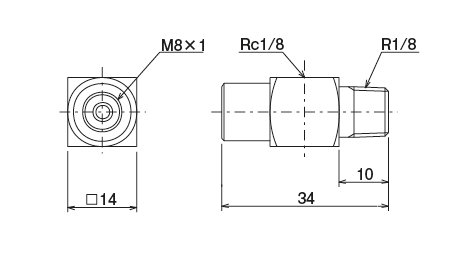
Bản vẽ kích thước

EA4 · EA6 · EAR 型(アダプター) 外形寸法図

Model Code No Đường kính ống(φ) L1 L2 T1 T2 B
EA4-20 106021 4 20 8 M8×1 R1/8 14
EA4-25 106022 25 13
EA4-30 106023 30 18
EA4-40 106024 40 28
EA4-50 106025 50 38
EA4-60 106026 60 48
EA4-2R 206091 25 11 R1/4
EA6-22F 206100 6 22 8 M10×1 R1/8 17

 

Bản vẽ kích thước

EA4 · EA6 · EAR 型(アダプター) 外形寸法図

Model Code No Đường kính ống(φ)
EA4-1F 106031 4

cần CB-4、CS-4 riêng

Bản vẽ kích thước

EA4 · EA6 · EAR 型(アダプター) 外形寸法図

Model Code No Đường kính ống(φ)
EAR-4 106071 4

 

Bản vẽ kích thước

EA4 · EA6 · EAR 型(アダプター) 外形寸法図

Model Code No Đường kính ống(φ)
EA4-8テーパ 106037 4

 

Bản vẽ kích thước

EA4 · EA6 · EAR 型(アダプター) 外形寸法図

Model Code No Đường kính ống(φ) L T1 T2 B 材質
EA4-6A 106076 4 20 M8×1 M6×1 14 真鍮(C3604)
EA4-6AS 106074 鉄(SS330B)
EA4-6B 106075 M6×0.75 真鍮(C3604)
EA4-US 166036 1/4-28UNF 鉄(SUM-21)
EA4-8B 166054 M8×1.25テーパ 真鍮(C3604)
EA6-6AS 166048 6 22 M10×1 M6×1テーパ 16 鉄(SUM-21)
EA6-U 166040 1/4-28UNF

Bản vẽ kích thước

EA4 · EA6 · EAR 型(アダプター) 外形寸法図

Model Code No
TA4-1F 106041

 

Bản vẽ kích thước

EA4 · EA6 · EAR 型(アダプター) 外形寸法図

Model Code No
TAR-1F 106051